Oppgåve
Interaktivt innhald
Start og stopp av trefasa asynkronmotor med kontaktor (STI 3)
I dette arbeidsoppdraget skal du starte og stoppe ein trefasa asynkronmotor ved hjelp av brytarar og ein kontaktor.

Trykkskjerm med knappar for start og stopp av asynkronmotor
Her skal du få eit innblikk i korleis vi kan starte ein trefasa asynkronmotor ved hjelp av brytarar og ein kontaktor.
Ein slik installasjon kan brukast til å starte og stoppe ei vifte eller til å drive ei pumpe.
I ei industribedrift kan ein ha sjølve motoren nede i fabrikken og fjernstyre han frå eit kontrollrom.
Arbeidsoppdrag
I dette arbeidsoppdraget skal du installere ei enkel start- og stoppløysing i form brytarar og ein kontaktor i ein trefasa 230 V asynkronmotor.
Planlegging
Dette er dokumentasjon som skal vurderast og leverast til lærar:
Start
- hovudstraum (start med ein kladd)
- styrestraum (start med ein kladd)
- arrangementsteikning
- funksjonsbeskriving
- rekkjeklemmetabell
Gjennomføring
- montere opp utstyret
- kople opp hovudstraum og styrestraum
- teste ut og setje i drift utstyret saman med lærar
- dokumentere, vurdere og kontrollere arbeidet ditt
Verktøy du kan få bruk for
- avbitartong
- kabeltong
- nitetong/endehylsetong
- fleire typar skrujern
- multimeter
- straumtong
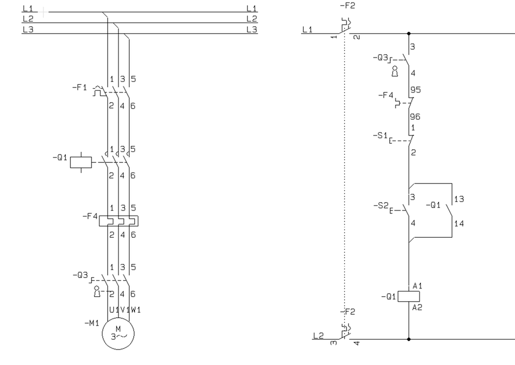
Døme på skjema over hovudstraum og styrestraum for enkel start og stopp av asynkronmotor

Hovudstraum og styrestraum for enkel start og stopp av asynkronmotor