Oppgåve
Interaktivt innhald
Start og stopp av trefasa asynkronmotor med dreieretning (STI 5)
I dette arbeidsoppdraget skal du starte og stoppe ein trefasa asynkronmotor som kan køyrast i begge retningar.

Kontaktorar med dreieretningsvendar
Her skal du få eit innblikk i korleis vi kan snu dreieretninga på ein trefasa asynkronmotor.
Denne installasjonen kunne vore brukt til å opne og stengje ein industriport eller til å køyre eit transportband fram og tilbake.
Arbeidsoppdrag
I dette arbeidsoppdraget skal du kunne køyre ein trefasa 230 V asynkronmotor i begge retningar ved å snu dreieretninga på motoren.
Planlegging
Dette er dokumentasjon som skal vurderast og leverast til lærar:
Start
- hovudstraum (start med ein kladd)
- styrestraum (start med ein kladd)
- arrangementsteikning
- funksjonsbeskriving
- rekkjeklemmetabell
Gjennomføring
- montere opp utstyret
- kople opp hovudstraum og styrestraum
- teste ut og setje i drift utstyret saman med lærar
- dokumentere, vurdere og kontrollere arbeidet ditt
Verktøy du kan få bruk for
- avbitartong
- kabeltong
- nitetong/endehylsetong
- fleire typar skrujern
- multimeter
- straumtong
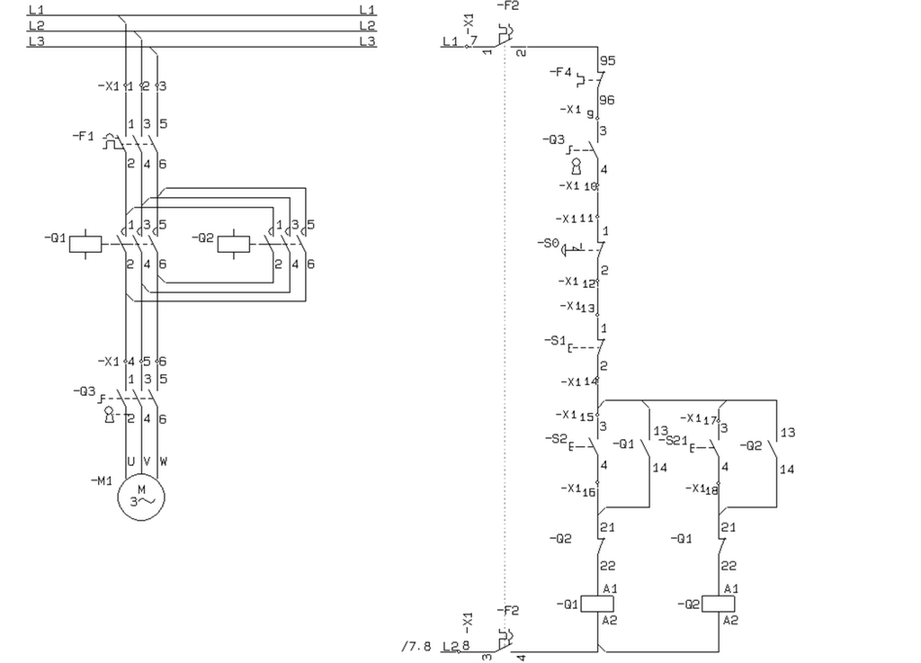
Døme på skjema over hovudstraum og styrestraum for dreieretningsvendar

Skjema over dreieretningsvendar