Hopp til innhald
Nynorsk

Fag

Oppgåve
Interaktivt innhald

Start og stopp av trefasa asynkronmotor frå to stader (STI 4)

I dette arbeidsoppdraget skal du starte og stoppe ein trefasa asynkronmotor frå to stader ved hjelp av brytarar og kontaktorar.

Her skal du få eit innblikk i korleis vi kan starte ein trefasa asynkronmotor frå to stader ved hjelp av brytarar og kontaktorar.

Denne installasjonen kunne vore brukt til å starte og stoppe eit transportband eller til å køyre ein stolheis frå to stader i ein skibakke.

Arbeidsoppdrag

I dette arbeidsoppdraget skal du installere ei enkel start- og stoppløysing i ein trefasa 230 V asynkronmotor. Ved hjelp av brytarar og kontaktorar skal det vere mogleg å starte og stoppe motoren frå to stader.

Planlegging

Dette er dokumentasjon som skal vurderast og leverast til lærar:

Start

  1. hovudstraum (start med ein kladd)
  2. styrestraum (start med ein kladd)
  3. arrangementsteikning
  4. funksjonsbeskriving
  5. rekkjeklemmetabell

Gjennomføring

  • montere opp utstyret
  • kople opp hovudstraum og styrestraum
  • teste ut og setje i drift utstyret saman med lærar
  • dokumentere, vurdere og kontrollere arbeidet ditt

Verktøy du kan få bruk for

  • kabeltong
  • /endehylsetong
  • fleire typar skrujern
  • multimeter
  • straumtong

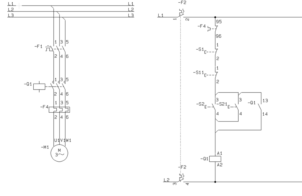
Døme på skjema over hovudstraum og styrestraum for start og stopp frå to stader

Skrive av Magnar Lynglund.
Sist oppdatert 27.09.2019