Start og stopp av trefasa asynkronmotor med frekvensomformar (STI 9)

Her skal du få eit innblikk i korleis vi kan starte ein trefasa asynkronmotor med ein frekvensomformar. Vi bruker frekvensomformar når vi har behov for turtalsregulering av motoren. Då kan vi justere hastigheita på motoren.
Ved å bruke ein frekvensomformar får vi òg moglegheit til mjuk start og stopp og til fleire måtar å køyre motoren på. Til dømes kan vi bruke lang tid på oppstart eller stopp.
Ein slik startmetode blir mykje brukt i industrien, sidan han gjer det mogleg å hastigheitsregulere motoren i ein maskin. På ein papirmaskin kan det til dømes vere behov for å tilpasse hastigheita til papiret som blir produsert.
Denne installasjonen kan brukast til å starte utstyr som er tungdrive, eller som vi vil spare for ein hard direkte start.
Arbeidsoppdrag
I dette arbeidsoppdraget skal du kunne køyre ein trefasa 230 V asynkronmotor ved hjelp av ein frekvensomformar.
Planlegging
Dette er dokumentasjon som skal vurderast og leverast til lærar:
Start
- hovudstraum (start med ein kladd)
- styrestraum (start med ein kladd)
- arrangementsteikning
- funksjonsbeskriving
- rekkjeklemmetabell
Gjennomføring
- montere opp utstyret
- kople opp hovudstraum og styrestraum
- teste ut og setje i drift utstyret saman med lærar
- dokumentere, vurdere og kontrollere arbeidet ditt
Verktøy som du kan få bruk for
- avbitartong
- kabeltong
- nitetong/endehylsetong
- fleire typar skrujern
- multimeter
- straumtong
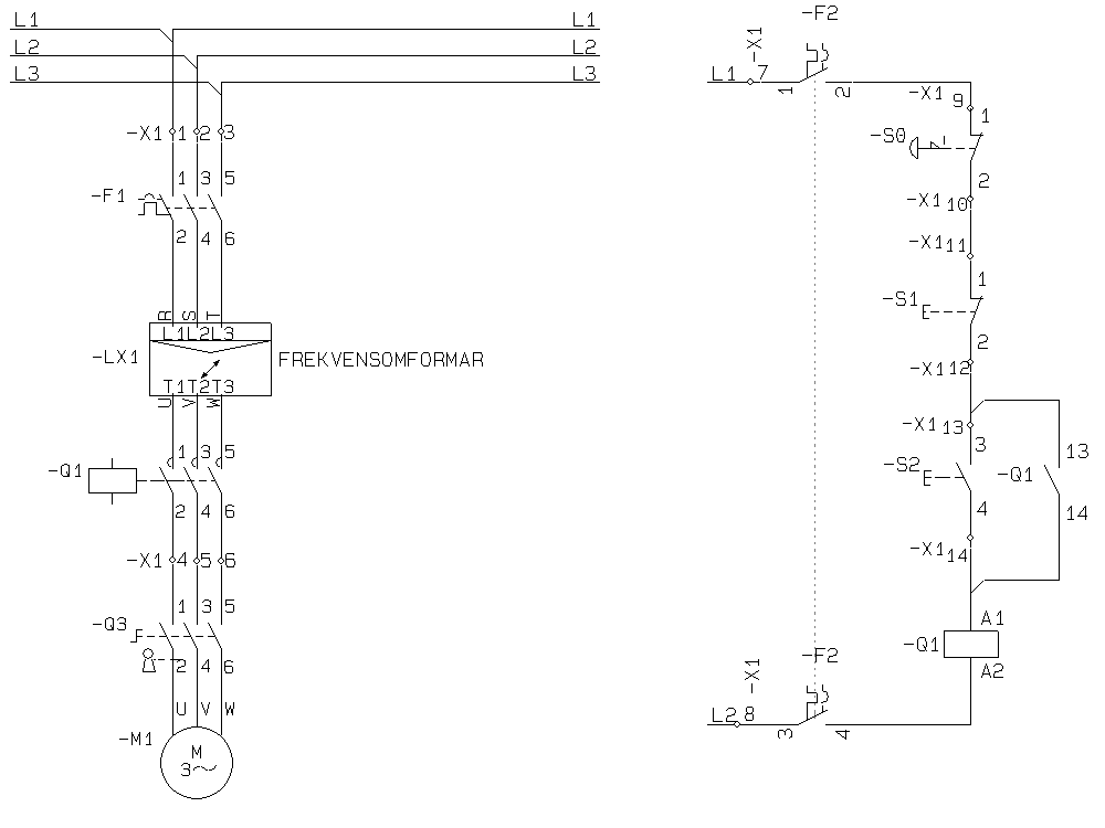
Døme på skjema over hovudstraum og styrestraum for ein frekvensomformar
