Trykkbryter
En trykkbryter er en sensor som gir et signal til mikrokontrolleren. På programmeringsspråket kalles en trykkbryter for en pushButton.

Beskrivelse
En trykkbryter har fire bein som er forbundet med hverandre to og to. Når knappen trykkes inn, koples para sammen. Forbindelsen opprettholdes så lenge knappen er trykt inn, og den brytes når knappen slippes.
Bruksområder
Trykkbrytere brukes til å gi en enkel på/av-informasjon til kretsen, på samme måten som en fjærbelasta lysbryter. De kan brukes til å starte et program, som impulsbrytere, som signaler for å tenne en lysdiode osv. Mulighetene er mange.
Kopling
I og med at trykkbryteren har parvise bein, må du vite hvordan du kopler den til slik at den får riktig funksjon.
For at kretsen skal forstå informasjonen, må trykket omdannes til ei spenning. Ved å kople bryteren mellom en motstand (10 kiloohm) til 5 volt og jord vil du på utgangen få ei spenning som går fra 5 volt til 0 volt når bryteren trykkes inn.
Denne koplinga kan du så utvide ved å kople til en aktuator som skal utføre et arbeid når trykk-knappen aktiveres.

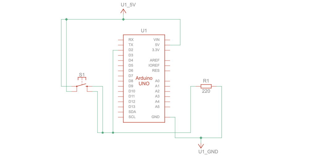
Koplingsskjema
Arduinoen bruker elektriske signaler til å kommunisere med omverdenen. Derfor er det viktig at du vet hvordan elektriske koplingsskjemaer er bygd opp, og at du kan bruke dem. Illustrasjonen under viser et eksempel på et koplingsskjema for en enkel krets med Arduino og trykkbryter.

Programmering
For at Arduinoen skal klare å kommunisere med trykk-knappen, må du programmere den til å gjøre akkurat det. Nedenfor finner du et enkelt eksempel på en kode som vil aktivere en LED når trykk-knappen aktiveres, og deaktivere LED-en når knappen deaktiveres.
Eksempelkode for aktivering og deaktivering av LED
const int buttonPin = 2; // Setter inngangspinne for signal fra bryteren til pinne 2 og gir pinnen navnet buttonPin
const int ledPin = 13; // Setter utgangspinne for tilkopling av en LED til pinne 13 og gir pinnen navnet ledPin
int buttonState = 0; // Lager en variabel for å lagre bryterstatus. Gir variabelen navnet buttonState og startverdien 0
void setup() {
pinMode(ledPin, OUTPUT); // Setter pinne ledPin til utgang
pinMode(buttonPin, INPUT); // Setter pinne buttonPin til inngang
}
void loop(){
buttonState = digitalRead(buttonPin); // Leser trykkbryterstatus og lagrer verdien i variabelen buttonState
if (buttonState == HIGH) // Sjekker om knapp er trykt
{
digitalWrite(ledPin, HIGH); // Hvis knapp er trykt, aktiveres ledPin ved å gi den verdien HIGH
}
else {
digitalWrite(ledPin, LOW); // Hvis knapp ikke er trykt, deaktiveres ledPin ved å gi den verdien LOW
}
}