Start og stopp av trefaset asynkronmotor med frekvensomformer (STI 9)

Her skal du få et innblikk i hvordan vi kan starte en trefaset asynkronmotor med en frekvensomformer. Vi bruker frekvensomformer når vi har behov for turtallsregulering av motoren. Da kan vi justere hastigheten på motoren.
Ved å bruke en frekvensomformer får vi også mulighet til myk start og stopp samt flere måter å kjøre motoren på. For eksempel kan vi bruke lang tid på oppstart eller stopp.
En slik startmetode brukes mye i industrien, siden den gjør det mulig å hastighetsregulere motoren i en maskin. På en papirmaskin kan det for eksempel være behov for å tilpasse hastigheten til papiret som produseres.
Denne installasjonen kan brukes til å starte utstyr som er tungdrevet, eller som vi vil spare for en hard direkte start.
Arbeidsoppdrag
I dette arbeidsoppdraget skal du kunne kjøre en trefaset 230 V asynkronmotor ved hjelp av en frekvensomformer.
Planlegging
Dette er dokumentasjon som skal vurderes og leveres til lærer:
Start
- hovedstrøm (start med en kladd)
- styrestrøm (start med en kladd)
- arrangementstegning
- funksjonsbeskrivelse
- rekkeklemmetabell
Gjennomføring
- montere opp utstyret
- koble opp hovedstrøm og styrestrøm
- teste ut og sette i drift utstyret sammen med lærer
- dokumentere, vurdere og kontrollere arbeidet ditt
Verktøy som du kan få bruk for
- avbitertang
- kabeltang
- nitetang/endehylsetang
- flere typer skrujern
- multimeter
- strømtang
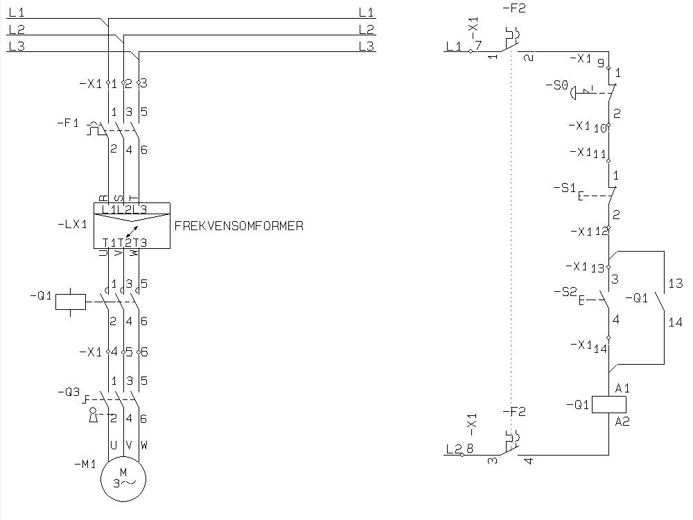
Eksempel på skjema over hovedstrøm og styrestrøm for en frekvensomformer
