Ferritt

Hva er ferritt?
Ferritt er en viktig krystallstruktur i jern og stål, kjent for sin romsentrerte kubiske (BCC) krystallstruktur, som ved oppvarming over omvandlingstemperatur omdannes til en flatesentrert kubisk (FCC) struktur. Ferritt dannes når austenitt, en annen jernstruktur som er stabil ved høye temperaturer, avkjøles til lavere temperaturer.
Ferritt er preget av sin mykhet og duktilitet, noe som gjør den lett å bearbeide og forme. Ferritt har begrenset evne til å løse opp karbon, derfor er den en betydelig komponent i mange typer stål og støpejern, og den har en nøkkelrolle i bygge- og konstruksjonsmaterialer. Ferritt brukes i alt fra broer til bygninger.
Bruksområder
Strukturen gir som sagt ferritt en kombinasjon av mykhet og duktilitet, noe som er viktig på en rekke bruksområder, fra konstruksjonsmaterialer som stålbjelker og broer til spesielle støpejernprodukter og elektroteknisk blikk. Det at ferritt er lett å forme og bearbeide samtidig som den beholder en tilfredsstillende styrke, gjør den til en anvendelig metallstruktur i moderne materialteknologi.
Konstruksjonsstål
Ferritt brukes i strukturelementer. På grunn av duktiliteten og styrken er den en viktig komponent i ulegert stål, som brukes i bygninger, broer og andre strukturelle elementer.
Støpejern
I visse typer støpejern, spesielt de som ikke inneholder mye legeringselementer, utgjør ferritt en betydelig del av mikrostrukturen. Dette bidrar til støpejernets mekaniske egenskaper.
Elektroteknisk metall
Ferritt med høyt silisiuminnhold brukes i elektroteknisk metall, som er viktige i produksjon av transformatorer og motorer på grunn av de gode magnetiske egenskapene og evnen til å operere ved høye temperaturer.
Varmebestandige stållegeringer
Ferrittiske legeringer med høyt krominnhold brukes i applikasjoner som krever høy varmebestandighet, for eksempel i ovner og varmevekslere.
Struktur og stabilitet
Den særegne romsentrerte kubiske strukturen i ferritt gir som nevnt materialer med god stabilitet.
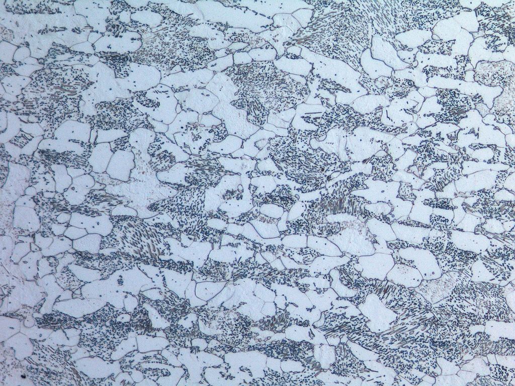
Krystallstruktur
I krystallstrukturen i ferritt er jernatomene plassert i hjørnene av en kube med ett atom i midten av kuben. Dette gir en åpen struktur som gjør det mulig for ferritt å være duktil og relativt myk sammenliknet med andre jernstrukturer.
Stabilitet ved temperaturer
Alfajern (α-jern) er stabilt opp til 912 °C (1185 K).
Deltajern (δ-jern) er stabilt mellom 1394 °C (1667 K) og smeltepunktet for jern, 1538 °C.
Legeringselementer
Tilsetning av legeringselementer kan påvirke stabiliteten til ferrittisk struktur. Ved å blande jern med andre elementer, som krom eller silisium, kan man tilpasse stabiliteten og egenskapene til ferritt. Dette er viktig i spesifikke industrielle applikasjoner som krever varmebestandighet eller spesielle elektriske egenskaper. Legeringselementer kan være:
- Krom
- Kromstål har opp til 17 prosent krom og kan beholde ferrittisk struktur ved høyere temperaturer.
- Silisium
- Elektroteknisk metall med opp til rundt 4 prosent silisium kan holde ferrittisk struktur ved høye temperaturer.
- Nikkel
- Høyt nikkelinnhold kan forhindre dannelse av ferritt og i stedet stabilisere andre faser som austenitt.
Hvordan dannes ferritt?
Ferritt er den formen jern eller stål har ved lave temperaturer, under ferrittisk omvandlingstemperatur (912 °C). Når temperaturen faller under 912 °C, omdannes austenitt til ferritt.
I varmebehandling kan stål oppvarmes og deretter avkjøles kontrollert for å sikre ønsket mikrostruktur, hvor ferritt kan være en viktig komponent i det endelige materialet. Temperaturkontroll er altså viktig i stålproduksjon.
Fordeler
Ferritt er myk og duktil, og den har god korrosjonsmotstand. Den brukes derfor ofte i applikasjoner der korrosjonsmotstand er viktig.
Ulemper
Ferritt alene har begrensede mekaniske egenskaper, spesielt når det gjelder styrke og hardhet.