Oppgåve
Oppkopling av hydrauliske krinsar
Her finn du tre ulike hydraulikksystem du kan øve på å kople opp i simulatoren.

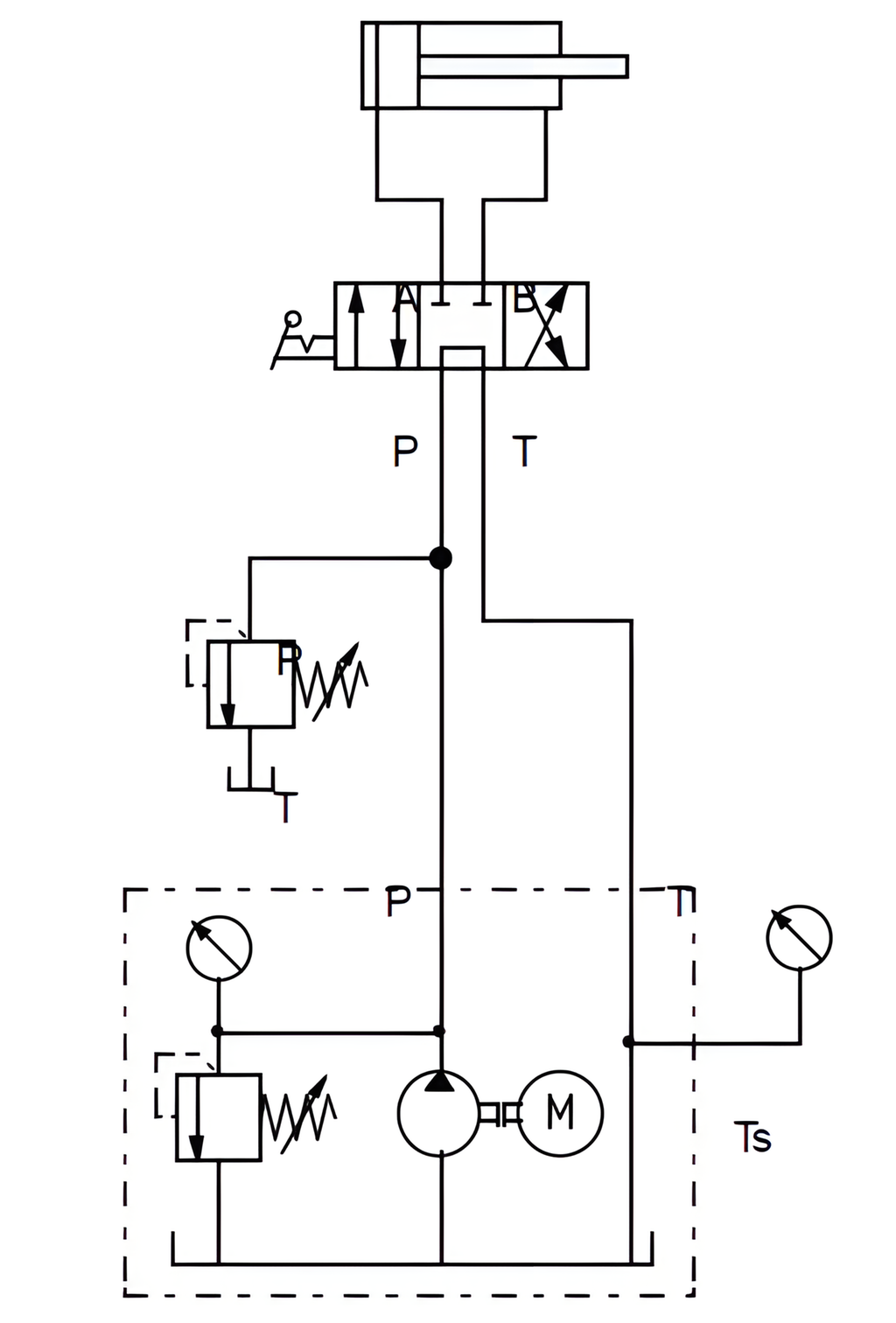
Øving 1: Dobbeltverkande sylinder med 4/3 retningsventil

Dobbeltvirkende sylinder og 4/3 retningsventil
Øving 2: Hydraulisk motor med 4/3 retningsventil

Hydraulisk motor og 4/3 retningsventil
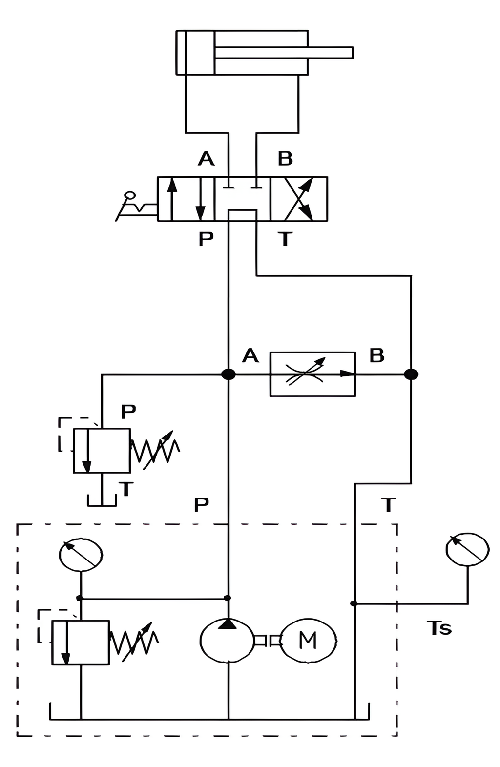
Øving 3: Dobbeltverkande sylinder med hastigheitsregulering

Dobbeltvirkende sylinder, 4/3 retningsventil og volumstrømsregulator
Hastigheitsregulering
Dette hydraulikkanlegget har volumstraumsregulator. Han gjer det mogleg å regulere hastigheita på sylinderen. Når volumstraumsregulatoren er plassert før retningsventilen, oppnår vi lik regulering i begge retningane.
Relatert innhald
Symbol − hydraulikk
Symbol vi bruker i samband med hydraulisk styring.
Repetisjonsoppgåve - Hydraulikk
Arbeidsoppgave hydraulikk