Hopp til innhald
Nynorsk
Logg inn
Søk
Meny
NDLA framside
Konstruksjons- og styringsteknikk (TP-TIP vg1)
Forståing av teikning
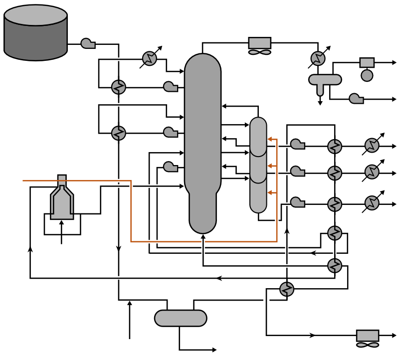
Flytskjema
Flytskjema
På den same måten som kart og kompass hjelper oss å navigere i ukjent terreng for å komme fram til målet, gir flytskjemaa oss moglegheiter til å lære prosessane å kjenne før vi går ut i fabrikken.
Sitere eller gjenbruke?