Hopp til innhald
Nynorsk
Logg inn
Søk
Meny
NDLA framside
Energi- og styresystem (EL-ELE vg1)
Innføring i teikneprogrammet PC schematic
Innføring i teikneprogrammet PC schematic
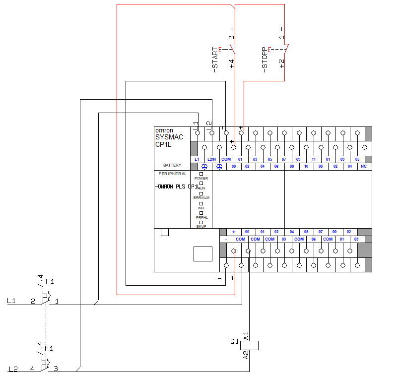
PC schematic er eit teikneprogram der du kan lage tekniske skjema og teikningar for alle anlegg og installasjonar innan elektro og automasjon.
Sitere eller gjenbruke?